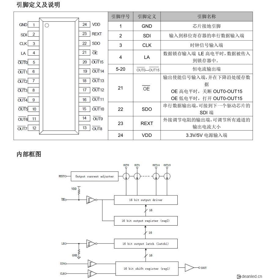
概述
FM6124 是一款专为 LED 模块和显示器设计的驱动 IC,具有 16 路恒定的电流输出驱动能力。FM6124 采用了“输出钳位”专利技术,可以有效消除第一行偏暗现象,同时可以防止灯珠损坏。FM6124 采用加强的消隐功能设计,具有极佳的消隐效果。同时 FM6124 具有极佳的抗干扰特性,恒流及低灰效果不受 PCB 板的影响。并可选用不同的外接电阻对输出级电流大小进行任意调节,精确控制 LED 的发光亮度。
FM6124 在显示过程(OE 的下降沿)会缓存 16bit 显示数据,所以系统在 FM6124 显示的过程中可以再继续存入16bit 串行数据,相比通用恒流源芯片,刷新率可以提高 50%以上。
FM6124 内部采用了电流精确控制技术,可使片间误差低于±3.5%,通道间误差低于±2%。
特点
16 路等电流输出通道
输出电流设定范围:
0.7~32mA×16@V DD =5V 路恒定电流输出
0.5~25mA×16@V DD =3.3V 路恒定电流输出
电流精度
通道间的电流非一致性:±1.25%(一般值)
±2%(最大值)
芯片间的电流非一致性:±2%(一般值)
±3.5%(最大值)
快速输出电流响应(最小值):30ns@V DD =5V
I/O 施密特触发器触发输入
数据传输频率:f MAX =30MHz(最大)
ESD HBM PASS 4KV
供电电压:V DD =3.3~6V
工作温度范围:T opr =-40~85℃
具有改善灯珠损坏功能
具有极佳的消隐效果
有效地消除第一行偏暗、低灰色块、低灰偏色和低灰麻点现象
具有极佳的抗干扰能力和低灰度效果
改善因灯珠损坏产生的毛毛虫现象
集成双缓存,刷新率比通用恒流芯片提高 50%以上
封装形式:SSOP-24
