首页
模组产品
室内全彩
户外全彩
单双色
配套物料
铝箱类
定制类
字小屏
HUB板
传感器
更多物料>>
案例参考
室内应用
户外应用
集群显示
输出显示
大屏互动
更多案例资讯
解决方案
室内应用 >
户外应用 >
终端输出 >
集群显示
异形显示
3D显示
大屏互动
更多方案说明
服务支持
软件与工具
二次开发
IC参考
固件升级
图纸参考
更多文档
动态资讯
鼎恩动态
数据中心
分享交流
关于我们
公司简介
资质荣誉
联系我们
在线留言
加入我们
简体中文
繁體中文
English
Français
Русский язык
日本語
ภาษาไทย
Deutsch
Português
Türkçe
选择语言
▼
简体中文
繁體中文
English
Français
Русский язык
日本語
ภาษาไทย
Deutsch
Português
Türkçe
首页
>
服务支持
>
IC参考
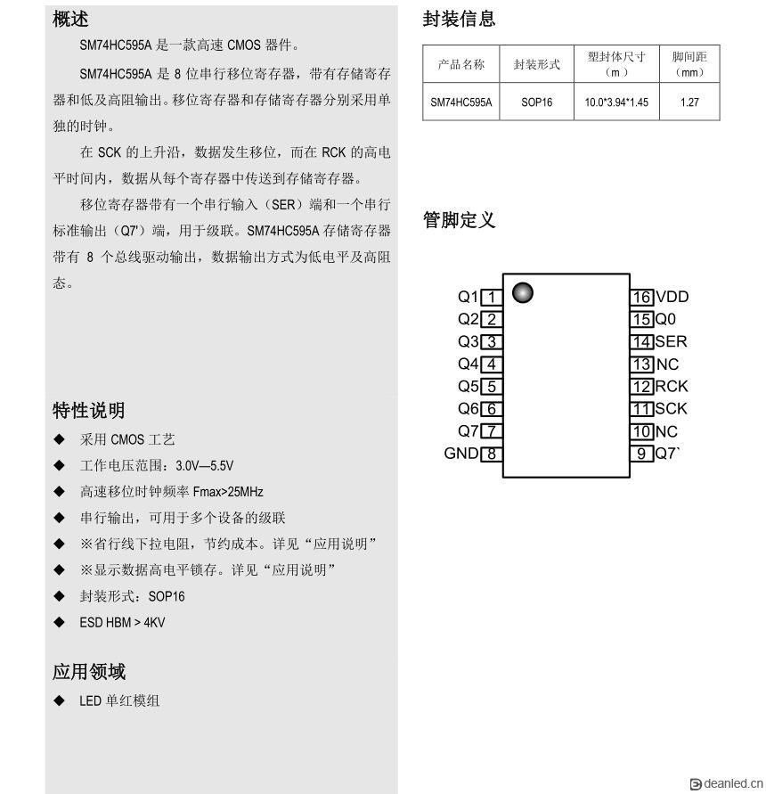
SM74HC595A
作者:小编
更新时间:2023-12-30
下载74HC595资料文档,仅供开发参考!
加入收藏
Tag:
行驱动
上一篇:
SM16389
下一篇:
SM74HC595D
返回列表
立即下载
标签
单立柱
鼎恩工程数据中心
单双色
LED屏二次开发应用
字符编码
CRC16
C#
RS485
远距信号传输
光纤收发器
列驱动
行驱动
逻辑控制
恒流驱动
集创北方
ICN
IC
P4.75双色
P4.75室内全彩
室内全彩|表贴全彩|小间距LED显示屏
账号登录
注册账号
|
忘记密码
社交账号登录
QQ在线咨询
售前咨询
0755-89486575
售后服务
400-886-2386